О компании
Оплата
Доставка
Контакты
Ещё
О компании
Оплата
Доставка
Контакты
+7 (916) 607-75-05
Режим работы:
Пн-Пт, с 09:00-18:00
Адрес:
Московская область г Королев Калининградская 27В
Email:
InfoVectorOne@yandex.ru
Соцсети и мессенджеры:
Написать в
Telegram
Заказать звонок
Каталог
Войти
0
Сравнение
0
Избранное
0
Корзина
Водомоторика
Мототехника
Аудиосистемы
Снаряжение
Товары по акции
Новинки
Водомоторика
Мототехника
Аудиосистемы
Снаряжение
Спорт и отдых
Масла, Химия, Смазки
Электроника и навигация
Водомоторика
Водометные насадки
Suzuki
Tohatsu
Yamaha
Комплектующие
Лодочные моторы
Tohatsu
Mercury
Hingan
Reef Rider
Омолон
Parsun
Смотреть все
Электрические моторы
Haswing
Sea-Pro
Haibo
Аксессуары
Запчасти
Лодки
Катамараны
Комбинированые лодки
Алюминиевые лодки
Стеклопластиковые лодки
Лодки РИБ
Лодки ПВХ
Аксессуары
Держатели и крепления
Транспортировка, прицепы, хранение
Дельные вещи
Оборудование для судов
Для лодочного мотора
Спасательные средства
Смотреть все
Гребные винты
MERCRUISER
Винты без втулок
Винты для Volvo Penta
Винты для Tohatsu/Mercury
Винты для Suzuki
Винты для Honda
Смотреть все
Запчасти и ТО
Гидроциклы
Стационарные ДВС и угловые колонки
Оборудование для ТО
Наборы для тех. обслуживания
Фильтры, свечи
Подвесные лодочные моторы
Мототехника
Садовая техника, силовые агрегаты
Запчасти и ТО
Двигатели
Сварочные аппараты
Квадроциклы
Аксессуары
Запчасти и ТО
Снегоходы
Запчасти и ТО
Аксессуары
Аудиосистемы
Аудиосистемы
Магнитолы
Врезная акустика
Сабвуферы
Усилители
Корпусные колонки
Саундбары
Подвесная акустика
Аудиосистемы для АТВ
Комплектующие
Мотоакустика
Антенны АМ/ФМ
Bluetooth устройства
Мегафоны
Снаряжение
Походное
Сиденье, кресла
Лопаты
Ножи и пилы
Сумки, ящики, мешки
Водонепроницаемые чехлы и пакеты
Гермомешки
Одежда
Футболки
Головные уборы
Перчатки
Оптика и аксессуары
Флаги
Электростанции
LIFAN S-PRO
Палатки, навесы
Спорт и отдых
Электрические подводные скутеры
Тюбинг
SUP Board
Горки, батуты, острова
Баллоны буксируемые
Для буксировки
Кресла, диваны, матрасы
Масла, Химия, Смазки
Консистентные смазки
Консерванты
Трансмиссионные масла
Масло для двухтактных двигателей
Масло для четырехтактных двигателей
Смазки, спреи, прочее
Присадки
Очистители двигателя, карбюратора, корпуса
Фиксаторы резьбы
Герметики
Прочее
Электроника и навигация
Навигация
Крепления эхолота
Датчики эхолота
Комплектующие
Крепления датчика эхолота
Компасы
Картплоттеры
Смотреть все
Радиосвязь
Доп. оборудование
Антены
Водометные насадки
Suzuki
Tohatsu
Yamaha
Смотреть все
Лодочные моторы
Tohatsu
Mercury
Hingan
Смотреть все
Электрические моторы
Haswing
Sea-Pro
Haibo
Смотреть все
Лодки
Катамараны
Комбинированые лодки
Алюминиевые лодки
Смотреть все
Аксессуары
Держатели и крепления
Транспортировка, прицепы, хранение
Дельные вещи
Смотреть все
Гребные винты
MERCRUISER
Винты без втулок
Винты для Volvo Penta
Смотреть все
Запчасти и ТО
Гидроциклы
Стационарные ДВС и угловые колонки
Оборудование для ТО
Смотреть все
Садовая техника, силовые агрегаты
Запчасти и ТО
Двигатели
Сварочные аппараты
Квадроциклы
Аксессуары
Запчасти и ТО
Снегоходы
Запчасти и ТО
Аксессуары
Аудиосистемы
Магнитолы
Врезная акустика
Сабвуферы
Усилители
Корпусные колонки
Саундбары
Подвесная акустика
Аудиосистемы для АТВ
Комплектующие
Мотоакустика
Антенны АМ/ФМ
Bluetooth устройства
Мегафоны
Походное
Сиденье, кресла
Лопаты
Ножи и пилы
Сумки, ящики, мешки
Водонепроницаемые чехлы и пакеты
Гермомешки
Одежда
Футболки
Головные уборы
Перчатки
Смотреть все
Флаги
Электростанции
LIFAN S-PRO
Палатки, навесы
Спорт и отдых
Электрические подводные скутеры
Тюбинг
SUP Board
Смотреть все
Масла, Химия, Смазки
Консистентные смазки
Консерванты
Трансмиссионные масла
Смотреть все
Электроника и навигация
Навигация
Радиосвязь
Главная
Redan
Запчасти и комплектующие для лодочных моторов и катеров
Запчасти для лодочных моторов
Редукторы, детали редукторов
Муфты включения скорости, и детали механизма скорости
Детали механизма скорости
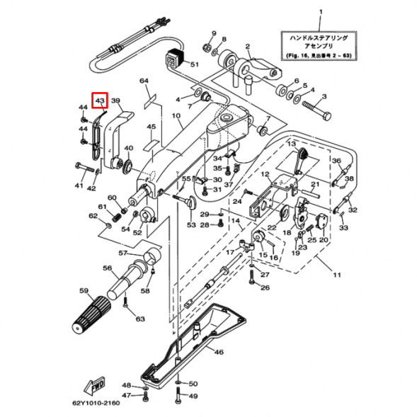
Накладка рычага переключения мультирумпеля Yamaha F30-100 67G-44173-00 (Yamaha) (RAC)
Накладка рычага переключения мультирумпеля Yamaha F30-100 67G-44173-00 (Yamaha) (RAC)
Написать отзыв
К сравнению
В избранное
Артикул:
RDN-67G-44173-00
Производитель
Yamaha
Артикул
67G-44173-00
Бренд
YAMAHA
Нет в наличии
150
₽
1
1
В корзину
Полный ассортимент
Проверенное качество
Экспертная поддержка
Описание
Характеристики
Отзывы
_
Характеристики
Производитель
Yamaha
Артикул
67G-44173-00
Бренд
YAMAHA
Отзывов ещё нет — ваш может стать первым.
Написать отзыв
Все отзывы
0
Показать ещё
общий рейтинг
Написать отзыв